Veřejná zakázka: Renovace teracové podlahy v části objektu Strakovy akademie

Informace o veřejné zakázce

fáze zadávacího řízení Zadáno (v archivu)
Zakázka byla zadána.
DBID: 735
Systémové číslo: P18V00000001
Evidenční číslo zadavatele: 754/2018-OTH
Datum zahájení: 22.01.2018
Nabídku podat do: 05.02.2018 10:00

Název, druh veřejné zakázky a popis předmětu

  • Název: Renovace teracové podlahy v části objektu Strakovy akademie
  • Druh veřejné zakázky: Stavební práce

Stručný popis předmětu:
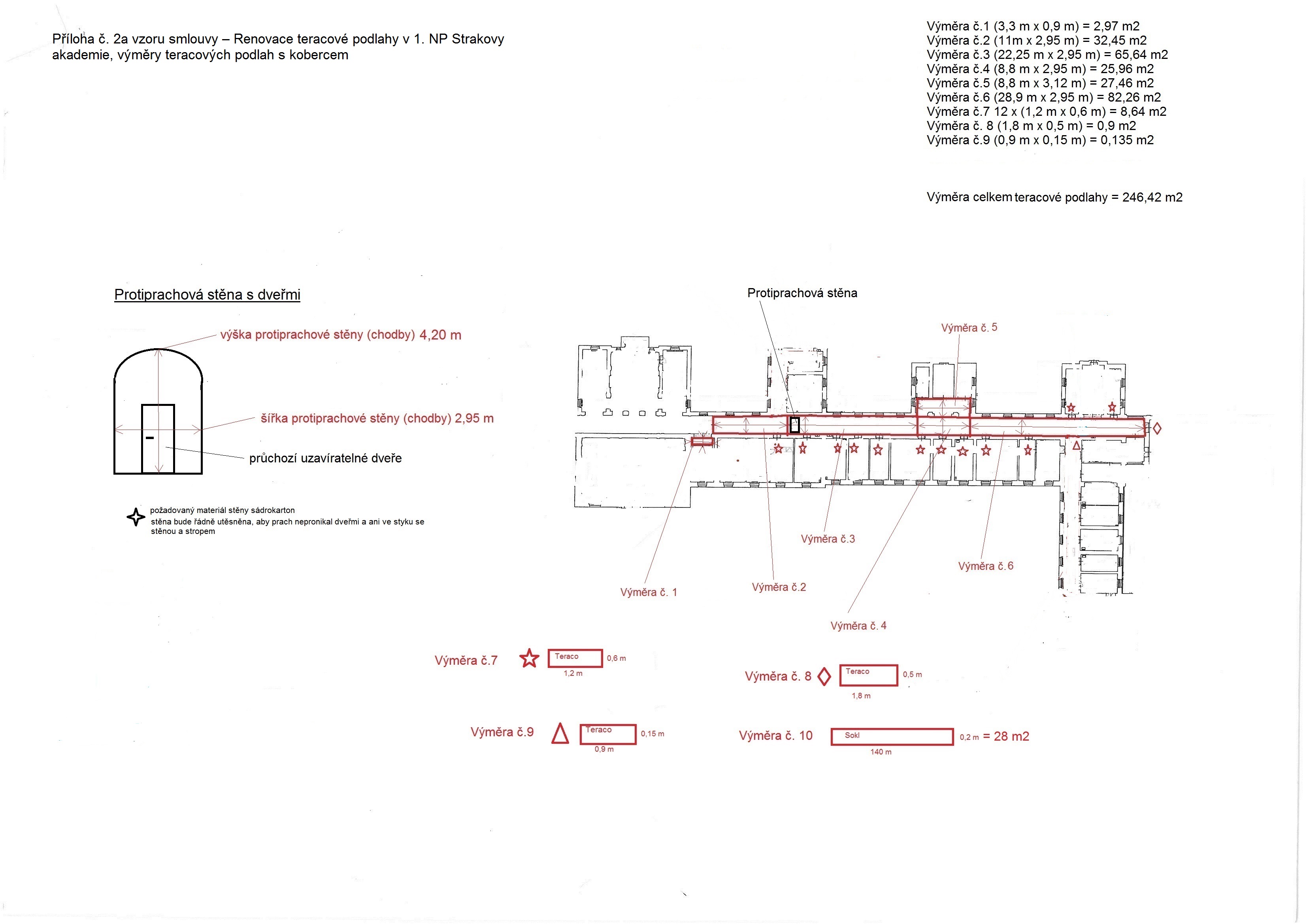
Předmětem veřejné zakázky je závazek zhotovitele provést pro objednatele renovaci teracové podlahy chodeb v části objektu Strakovy akademie v rozsahu a za podmínek stanovených ve vzoru smlouvy, který je uveden v příloze C zadávací dokumentace.

Prohlídka místa plnění se koná dne 29.01.2018 v 09:00 hodin.
Bližší informace k prohlídce místa plnění jsou uvedeny v zadávací dokumentaci.

Postup zadání, předpokládaná hodnota

  • Postup: VZMR s uveřejněním výzvy
  • Režim veřejné zakázky: VZ malého rozsahu
  • Předpokládaná hodnota: 300 000 Kč bez DPH

Zadavatel

  • Úřední název: Úřad vlády České republiky
  • IČO: 00006599
  • Poštovní adresa:
    nábřeží Edvarda Beneše 128/4
    11800 Praha
  • Id profilu zadavatele ve VVZ: Z2018-001852

Adresa kontaktního místa

Nabídky, resp. žádosti o účast podávat na:
elektronicky prostřednictvím profilu zadavatele (https://zakazky.vlada.cz) nebo listinně do podatelny zadavatele na adrese nábř. E. Beneše 128/4, 118 01 Praha 1

Položky předmětu (CPV)

Zadávací dokumentace

Vysvětlení, doplnění, změny zadávací dokumentace

Veřejné dokumenty

Formuláře

URL odkazy

Plnění smlouvy na základě veřejné zakázky